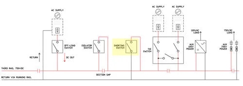
Shorting Switch
SCCR - 70kA - 90ms
Rated Peak Current - 130kA
Typical Control Circuit: 125V AC/DC - 120mA
SCCR - 70kA - 90ms
Rated Peak Current - 130kA
Typical Control Circuit: 125V AC/DC - 120mA
With more than 50 industrial sites and 21 R&D centers in 33 countries around the world, Mersen develops customized solutions and delivers key products to its clients in order to meet the new technological challenges shaping tomorrow’s world.
As a major player at the heart of technology, Mersen is a committed partner to the companies that drive the industry forward and shape a more sustainable society.
Mersen has taken on a new dimension and acquired a more global, dynamic, profitable and resilient profile. Discover why invest in Mersen.
Joining Mersen means joining an international industrial company firmly anchored in today’s real world but with its sights set firmly on the future. It means joining a world of diversity, in terms of professions, technologies, projects and cultures, and a working community with real expertise to help forge tomorrow’s world.
Find here a set of resources at your disposal such as product brochures, technical documentation, catalogs, drawings, etc.