Back
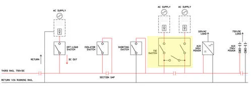
2xSingle Pole Double Throw Electrically Operated Isolation Switch Silo

2xSingle Pole Double Throw Electrically Operated Isolation Switch

Approvals & Standards
Exclusive to North America
1000VDC-3750A
Typical Control Circuit: 105-145VAC/DC – 6A
1000VDC-3750A
Typical Control Circuit: 105-145VAC/DC – 6A
  • 2xSingle Pole Double Throw Electrically Operated Isolation Switch - Heavy/Light Rail Applications

    Highlight-Rail-Applications-2xsingle-pole
  • 2xSingle Pole Double Throw Electrically Operated Isolation Switch - Heavy/Light Rail Yard Applications

    Highlight-Rail-Yard-2xsingle-pole
Back to top